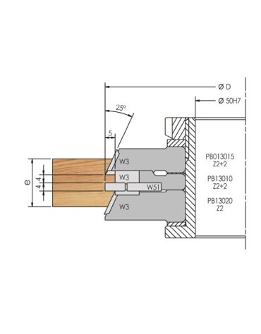
Porte-outils à bouveter Elbé : Assemblage pour joints collés

Explorez notre gamme de PO à bouveter pour réaliser des assemblages pour joints collés fiables et durables. Des outils Elbé pour des bouvets précis pour des résultats professionnels.

Nos promotions

Outils à bois KoaTools®

Comparateur0Ma liste d'envies0

Votre panier

Il n'y a aucun article dans votre panier

Connexion